|
View unanswered posts | View active topics
It is currently Thu May 14, 2026 10:52 am
| Author |
Message |
|
HeatherKay
Moderator
Joined: Thu Apr 23, 2009 6:13 pm Posts: 7262 Location: Here, but not all there.
|
L'Atomo di Forza passed his MOT without any advisories, and didn't need any major work doing to prepare him for winter. As an added bonus, I found my mobile phone on the back seat.  (See Tales of Fail Thread...)
_________________My Flickr | Snaptophobic BloggageHeather Kay: modelling details that matter. "Let my windows be open to receive new ideas but let me also be strong enough not to be blown away by them." - Mahatma Gandhi.
|
| Fri Aug 19, 2011 9:58 am |
|
 |
|
ProfessorF
What's a life?
Joined: Thu Apr 23, 2009 7:56 pm Posts: 12030
|
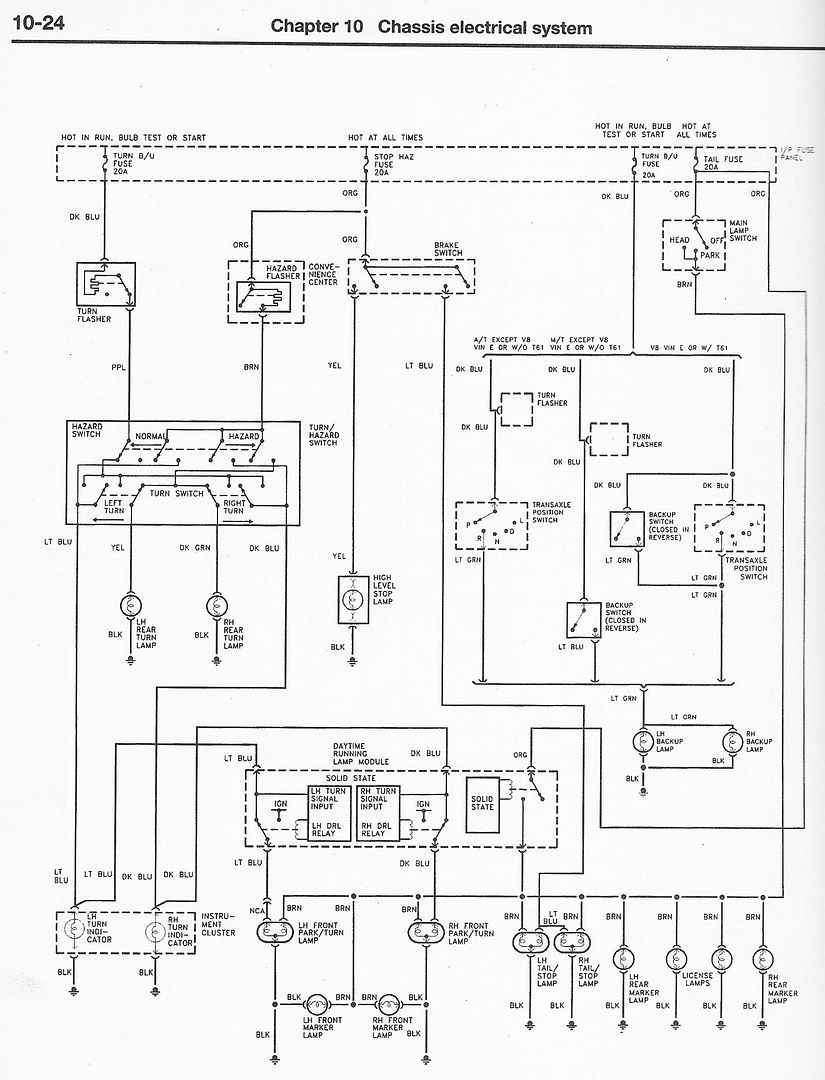
I have two working indicators!
The hazards are marching to a beat of a different drum however, so that'll need more looking at. But for now, I have two working indicators! The new flasher unit appears to have fixed it. I'm not sure how, but it has. Makes no sense to my basic understanding of the circuit diagrams, but there we are.
|
| Sat Aug 20, 2011 4:52 pm |
|
 |
|
rustybucket
I haven't seen my friends in so long
Joined: Thu Jun 18, 2009 5:10 pm Posts: 5837
|
_________________Jim
|
| Sat Aug 20, 2011 5:11 pm |
|
 |
|
ProfessorF
What's a life?
Joined: Thu Apr 23, 2009 7:56 pm Posts: 12030
|
 Sure thing - Clicky.
|
| Sat Aug 20, 2011 5:48 pm |
|
 |
|
belchingmatt
I haven't seen my friends in so long
Joined: Fri May 15, 2009 3:16 am Posts: 6146 Location: Middle Earth
|
Haven't you got two different relays there?
_________________ Dive like a fish, drink like a fish!
><(((º>`•.¸¸.•´¯`•.¸><(((º> •.¸¸.•´¯`•.¸><(((º>`•.¸¸.•´¯`•.¸><(((º>
If one is diving so close to the limits that +/- 1% will make a difference then the error has already been made.
|
| Sat Aug 20, 2011 6:01 pm |
|
 |
|
ProfessorF
What's a life?
Joined: Thu Apr 23, 2009 7:56 pm Posts: 12030
|
Yeah the Hazards are on a different relay, I just need to find where GM saw fit to hide it...
|
| Sat Aug 20, 2011 11:58 pm |
|
 |
|
ProfessorF
What's a life?
Joined: Thu Apr 23, 2009 7:56 pm Posts: 12030
|
And more eBay joy. For £26.98 inc. delivery, I have 'new' exhaust manifolds for the car.
|
| Sun Aug 21, 2011 9:08 pm |
|
 |
|
bobbdobbs
I haven't seen my friends in so long
Joined: Thu Apr 23, 2009 7:10 pm Posts: 5490 Location: just behind you!
|
Initial green light given to go to Amsterdam for a two day meeting 
_________________Finally joined Flickr
|
| Fri Aug 26, 2011 3:27 pm |
|
 |
|
Amnesia10
Legend
Joined: Fri Apr 24, 2009 2:02 am Posts: 29240 Location: Guantanamo Bay (thanks bobbdobbs)
|
Bring back some skunk? 
_________________Do concentrate, 007... "You are gifted. Mine is bordering on seven seconds." https://www.dropbox.com/referrals/NTg5MzczNTkhttp://astore.amazon.co.uk/wwwx404couk-21
|
| Fri Aug 26, 2011 3:49 pm |
|
 |
|
ProfessorF
What's a life?
Joined: Thu Apr 23, 2009 7:56 pm Posts: 12030
|
 Found it!  Replaced it! All working now.
|
| Fri Aug 26, 2011 4:37 pm |
|
 |
|
davrosG5
I haven't seen my friends in so long
Joined: Fri Apr 24, 2009 6:37 am Posts: 6954 Location: Peebo
|
Amazon actually doing good, common sense customer service. I ordered Photoshop Lightroom for about £200 last weekend. Naturally I was out when they tried to deliver it so I didn't actually get the package until Friday but that's not the issue. On Friday I received an e-mail from Amazon advising me that there were only 2 and a bit days left to order Lightroom for half RRP (about £120, offer valid until midnight tonight by the way). I'd apparently managed to place my order about 6 hours before the price dropped.
E-mailed Amazon and asked them to consider refunding the difference given the circumstances. They agreed, and did so quickly. It may have had something to do with me pointing out that I could return my copy and re-order at the lower price which would create more work for everyone. Still, a good result and something of a triumph of common sense over ridged adherence to sales policies.
_________________ When they put teeth in your mouth, they spoiled a perfectly good bum. -Billy Connolly (to a heckler)
|
| Sun Aug 28, 2011 9:08 am |
|
 |
|
cloaked_wolf
What's a life?
Joined: Thu Apr 23, 2009 8:46 pm Posts: 10022
|
Bought a new camera battery off egay. Turned out to be duff. Quick email to the seller and was given a refund. They've said I can keep the battery, which creates more work as I now have to dispose of it!
_________________ He fights for the users.
|
| Sun Aug 28, 2011 9:27 am |
|
 |
|
pcernie
Legend
Joined: Sun Apr 26, 2009 12:30 pm Posts: 45931 Location: Belfast
|
Just ordered Uncharted 3 for £34 with a 10% discount code from The Hut - check your emails if you're with them and looking to purchase anything (code ends tomorrow, good up to £100).
_________________Plain English advice on everything money, purchase and service related:
http://www.moneysavingexpert.com/
|
| Sun Aug 28, 2011 7:53 pm |
|
 |
|
cloaked_wolf
What's a life?
Joined: Thu Apr 23, 2009 8:46 pm Posts: 10022
|

Originally, I was going to post this in the Fail thread.
The upstairs toilet has been on the blink recently - it required multiple attempts at pulling the handle to get it to flush. Last night, it wouldn't flush. Cue me getting a brainwave about using a bucket of water to flush the toilet content down. Quick google and it showed the part that had gone was called a siphon. Had a look in B&Q - although online and their computer it said it was in stock, neither I nor the employee could find any. We drove to the superstore in Castle Vale and bought one from there. Tried to get a dremel but the didn't have the midrange ones in stock and I wasn't about to pay £100+ for something that I'd use once in a while.
Took it home and fitted it. Completed in less time than in took to drive from the first B&Q store to the second and buy the product. Flush works fantastically well, and much stronger than before. It also has a dual flush function but to do the small flush, you have to press and hold the lever, which means trying to re-educate the family.
_________________ He fights for the users.
|
| Mon Aug 29, 2011 12:55 pm |
|
 |
|
JJW009
I haven't seen my friends in so long
Joined: Thu Apr 23, 2009 6:58 pm Posts: 8767 Location: behind the sofa
|

An fairly insignificant tail of win, but one which demonstrates that not all hope is lost with the human race... Last week, my recycling bin blew away in the wind while I was at work. I searched up and down the street but failed to find it. Miffed I was, with many empty bottles in need of a good home. However, some kind neighbour presumably found it and anonymously placed it tidily on my drive way. It was covered in mud, so must have had quite an adventure. I put it out again this morning and plonked a brick on top. When I returned some 12 hours later, the bin men had thoughtfully placed the brick inside the box and on top of the lid. Despite the strong winds, their consideration saved a repeat of last weeks incident. I have to say, I wouldn't want to be a bin man. Thanks to the wheelies it's not such a heavy or smelly job as it was a few decades ago, but it can't be much fun in the bad weather. My back has been playing up these last few days, so I'm particularly thankful that my 50p a week brings such good service 
_________________jonbwfc's law: "In any forum thread someone will, no matter what the subject, mention Firefly." When you're feeling too silly for x404, youRwired.net
|
| Mon Sep 12, 2011 9:02 pm |
|
|
Who is online |
Users browsing this forum: No registered users and 163 guests |
|
You cannot post new topics in this forum You cannot reply to topics in this forum You cannot edit your posts in this forum You cannot delete your posts in this forum
|
|